GE IS200TTURH1CED
  • GE IS200TTURH1CED GE IS200TTURH1CED
  • GE IS200TTURH1CED GE IS200TTURH1CED
  • GE IS200TTURH1CED GE IS200TTURH1CED

GE IS200TTURH1CED

Бренд: GE
Описание: выходная клеммная колодка
Состояние: Совершенно новый
Сертификат: ОТЧЕТ О ИСПЫТАНИЯХ COO ГАРАНТИЙНОЕ ПИСЬМО
Гарантия: 1 год
Кол-во инвентаря: 14
Срок оплаты: Т/Т
Порт доставки: Сямэнь
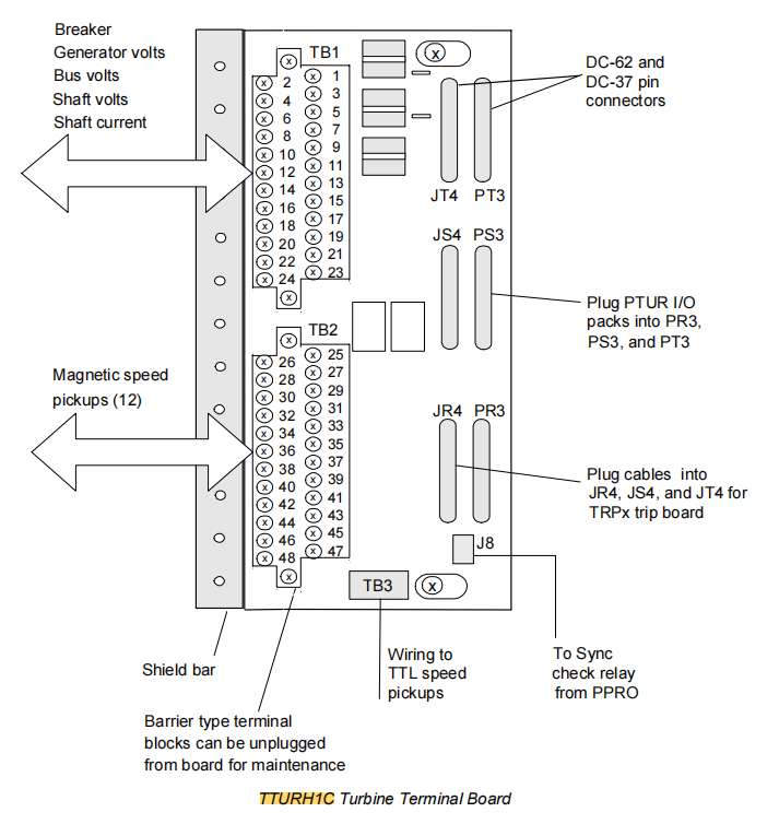
GE IS200TTURH1CED — это высоконадежная и безопасная выходная клеммная колодка главного отключения для конкретной турбины, разработанная компанией General Electric для ее передовых систем управления турбинами Mark VIe и Mark VIeS и технологическими процессами. Основная задача этой платы, являющейся ключевым компонентом безопасности архитектуры распределенного ввода-вывода Mark VIe, — выполнить последнюю, необратимую команду выключения от контроллера.

Отправить запрос

Описание продукта

Производство
GE
Номер модели
IS200TTURH1CED
Номер заказа
IS200TTURH1CED
Каталог
Марк VI
Страна происхождения
США
КОД ТН ВЭД
8479909090
Измерение
233×160 мм
Масса
0,32 кг

Обзор продукта

GE IS200TTURH1CED — это высоконадежная и безопасная выходная клеммная колодка главного отключения для конкретной турбины, разработанная компанией General Electric для ее усовершенствованных турбин Mark VIe и Mark VIeS, а также систем управления технологическими процессами. Основная задача этой платы, являющейся ключевым компонентом безопасности архитектуры распределенного ввода-вывода Mark VIe, — выполнить последнюю, необратимую команду выключения от контроллера. IS200TTURH1CED получает электронные сигналы от процессорного модуля ввода-вывода первичного отключения технологической турбины и физически отключает или подключает силовые цепи к ключевым исполнительным механизмам, таким как клапаны отсечки топлива, электромагнитные клапаны гидравлического отключения и катушки отключения генераторного выключателя, через свои встроенные высокопроизводительные и высоконадежные электромагнитные реле, тем самым обеспечивая безопасное, быстрое и надежное отключение основного энергетического оборудования, такого как газовые и паровые турбины. Эта плата — не просто релейная плата; он является конечным исполнителем всех функций системы приборов безопасности в физическом мире. Его конструкция соответствует принципу отказоустойчивости и является последней линией защиты, обеспечивающей безопасность персонала, оборудования и окружающей среды.

Функциональные особенности продукта

Выполнение конечной функции безопасности – основное отключение

TTURH1CED — это последний физический исполнительный блок логики защиты. Когда контроллер Mark VIe обнаруживает какое-либо состояние, которое ставит под угрозу безопасность оборудования, он отправляет команду отключения на модуль PTUR. Затем PTUR приводит в действие реле на плате TTUR, непосредственно отключая подачу топлива или вызывая механическое отключение, обеспечивая аварийное отключение в течение миллисекунд.

Поддержка архитектуры с тройным резервированием

Трехканальная конструкция идеально соответствует системе Mark VIe TMR. Три независимых канала контроллера управляют одним реле соответственно. Только когда хотя бы два канала одновременно выдадут команду на отключение, будет активирована цепь окончательного отключения. Такая конструкция значительно повышает доступность и безопасность системы.

Встроенная расширенная диагностика, предотвращающая катастрофические сбои

Диагностика сравнения команд/обратной связи является его основной интеллектуальной функцией. GE IS200TTURH1CED не только сообщает вам, что контроллер хочет, чтобы он отключился, но также подтверждает, что он действительно отключился. Эта диагностика с обратной связью является краеугольным камнем для обеспечения долгосрочной надежности главной цепи отключения, которая является критически важной функцией с единичным действием и серьезными последствиями.

Безопасная конструкция

Конструкция всей цепи отключения соответствует принципу безопасности при отказах. Это означает, что в случае потери питания, обрыва кабеля или отказа реле система автоматически перейдет в безопасное состояние. Например, клапан отсечки топлива обычно спроектирован как закрывающийся при отказе, а реле на плате TTUR подаются под напряжением и удерживаются на месте при нормальной работе, чтобы клапан оставался открытым; как только плата TTUR теряет питание или получает команду на отключение, реле размыкаются, и клапан закрывается под действием пружины.


Рекомендации по сопутствующим продуктам

Сопутствующий модуль процессора ввода-вывода

Модуль процессора ввода-вывода основного отключения турбины IS200PTURH1A является мозгом TTURH1CED.

Соответствующий продукт предыдущего поколения

Плата ввода-вывода Mark VI VTUR + клеммная плата TRPXH1B, IS200TTURH1CED является прямым предшественником IS200TTURH1CED в Mark VIe.

Управляемый исполнительный механизм

Клапан отсечки топлива GE SV8/SV12

Электромагнитный клапан гидравлической системы отключения масла (Trip Oil System)

Катушка отключения автоматического выключателя на выходе генератора (GCB)

Горячие Теги:

Связанная категория

Отправить запрос

Пожалуйста, не стесняйтесь дать свой запрос в форме ниже. Мы ответим вам в течение 24 часов.
X
Мы используем файлы cookie, чтобы предложить вам лучший опыт просмотра, анализировать трафик сайта и персонализировать контент. Используя этот сайт, вы соглашаетесь на использование нами файлов cookie. политика конфиденциальности
Отклонять Принимать