GE IS200TBAIH1CDD
  • GE IS200TBAIH1CDD GE IS200TBAIH1CDD
  • GE IS200TBAIH1CDD GE IS200TBAIH1CDD
  • GE IS200TBAIH1CDD GE IS200TBAIH1CDD

GE IS200TBAIH1CDD

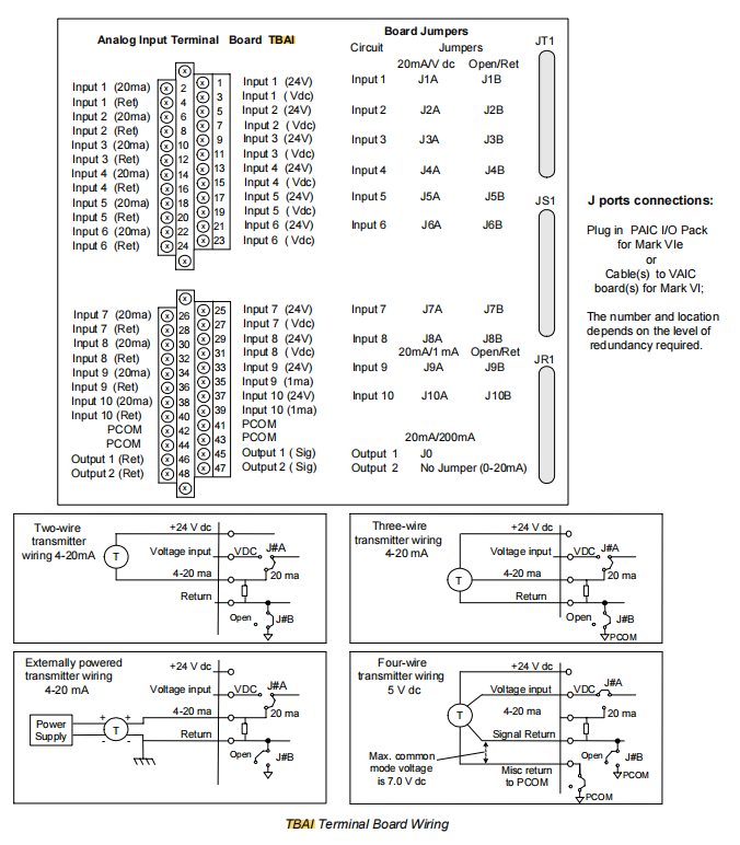
GE IS200TBAIH1CDD — это 16-канальная клеммная колодка аналогового ввода, разработанная компанией General Electric для своих передовых систем управления турбинами и процессами Mark VIe и Mark VIeS. Эта плата является ключевым компонентом физического интерфейса в архитектуре системы ввода-вывода Mark VIe.

Отправить запрос

Описание продукта

Производство
GE
Номер модели
IS200TBAIH1CDD
Ряд
Марк VIe
Страна происхождения
США
КОД ТН ВЭД
8504902000
Измерение
20*5*5 см
Размер упаковки
20*5*5 см
Масса
0,7 кг

Обзор продукта

GE IS200TBAIH1CDD — это 16-канальная клеммная колодка аналогового ввода, разработанная компанией General Electric для своих передовых систем управления турбинами и процессами Mark VIe и Mark VIeS. Эта плата является ключевым компонентом физического интерфейса в архитектуре системы ввода-вывода Mark VIe. Основная функция — установить безопасное, надежное и стандартизированное электрическое соединение между полевыми приборами и внутренними модулями обработки ввода-вывода системы управления. IS200TBAIH1CDD не выполняет обработку или преобразование сигналов. Это не требующий питания концентратор проводов высокой плотности. Стандартные аналоговые сигналы, такие как 4–20 мА или ±10 В постоянного тока, подаваемые с места эксплуатации, подключаются к этой клеммной колодке с помощью экранированных кабелей, а затем сигналы передаются на модуль VAIC, установленный в стойке ввода-вывода шкафа управления, через специальный ленточный кабель высокой плотности. Такая отдельная конструкция «клеммная панель + ленточный кабель + плата ввода-вывода» является отличительной особенностью системы Mark VIe, значительно упрощая монтаж проводки на месте, обслуживание системы и устранение неисправностей.

Особенности и преимущества продукта

Достижение полного разделения «физического уровня» и «электронного уровня» — краеугольного камня надежности системы.

В промышленных условиях распространенными источниками неисправностей являются ошибки проводки, короткие замыкания кабелей и наведенные скачки напряжения. TBAI, как пассивная клеммная колодка, действует как первый «брандмауэр». Любая электрическая неисправность, возникающая на стороне поля, будет ограничена клеммной колодкой и подключенными к ней кабелями и не будет напрямую распространяться на дорогой и точный процессорный модуль ввода-вывода VAIC. Даже если клеммная колодка повреждена из-за экстремальных условий, стоимость и время замены намного ниже, чем замена карты ввода-вывода, в которой интегрированы сложные схемы формирования сигнала и микросхемы АЦП.

Благодаря физическому отделению области высокошумящей полевой проводки от области малошумящей управляющей электроники упрощается конструкция ЭМС системы Mark VIe. Модуль VAIC можно разместить в более чистом и лучше экранированном месте внутри шкафа управления, а плата TBAI возьмет на себя все грязные полевые подключения. Такая стратегия разделения значительно повышает помехоустойчивость всей системы ввода-вывода.

Революционный режим обслуживания вне кабинета повышает эффективность работы.

GE IS200TBAIH1CDD удобен в обслуживании на протяжении всего жизненного цикла: от ввода проекта в эксплуатацию, ежедневных проверок до устранения неисправностей и капитального ремонта оборудования. Обслуживающему персоналу практически не нужно открывать дверь главного шкафа управления. Приборщики могут самостоятельно выполнить все задачи на клеммной колодке:

Для подачи сигнала используется генератор сигналов для подачи стандартного сигнала 4–20 мА на терминал, чтобы проверить, в порядке ли вся цепочка сигналов от клеммной колодки до HMI.

Отключите выходную линию прибора и подключите калибровочный прибор напрямую к терминалу, чтобы откалибровать нулевую точку/диапазон полевого преобразователя, не влияя на работу системы управления.

Если сигнал AI ненормальный, инженер сначала измеряет сигнал на клеммной колодке. Если сигнал в норме, проблема кроется на стороне системы; если сигнал ненормальный, проблема кроется на стороне поля. Этот «метод двоичного позиционирования» сокращает среднее время устранения неисправности более чем на 50%.

Поддержка операций горячей замены. В системах Mark VIe, оснащенных резервными модулями VAIC, если необходимо заменить саму клеммную колодку TBAI, ее можно отсоединить от витого кабеля и заменить во время работы системы, что обеспечивает истинное «нулевое время простоя» обслуживания при соблюдении строгих процедур безопасности.



Эволюция продукции и технологическое развитие

Эволюция архитектуры ввода-вывода GE наглядно демонстрирует путь от интеграции к разделению, а затем к интеллекту:

На заре развития DCS/PLC распространенным подходом было прямое подключение карт ввода-вывода, что было сложно обслуживать и сопряжено с высокими рисками.

В эпоху Mark VIe была представлена ​​инновационная полностью разделенная архитектура ввода-вывода. Появление клеммных колодок TBAI/TBAO стало результатом крайнего стремления к ремонтопригодности и надежности в инженерной практике. Эта концепция дизайна оказалась очень успешной и была принята многими другими производителями РСУ высокого класса.

Текущий и будущий Mark VIeS & Beyond:

Архитектура продолжает полностью унаследованную зрелую и надежную разделенную архитектуру системы Mark VieS. Роль клеммной колодки TBAI не изменилась.

Хотя интеллектуальные терминалы в настоящее время являются пассивными, в отрасли наблюдается тенденция к активным интеллектуальным терминалам. В будущие клеммные колодки могут быть встроены главные станции IO-Link или мультиплексоры HART, которые смогут не только передавать основные сигналы, но также считывать диагностическую и конфигурационную информацию приборов.

Дополнения к беспроводной связи предназначены для некритических или трудно подключаемых точек мониторинга. Беспроводные передатчики становятся мощным дополнением к проводным TBAI, но критические контуры управления по-прежнему будут в основном проводными.


Горячие Теги:

Связанная категория

Отправить запрос

Пожалуйста, не стесняйтесь дать свой запрос в форме ниже. Мы ответим вам в течение 24 часов.
X
Мы используем файлы cookie, чтобы предложить вам лучший опыт просмотра, анализировать трафик сайта и персонализировать контент. Используя этот сайт, вы соглашаетесь на использование нами файлов cookie. политика конфиденциальности
Отклонять Принимать